一、有機物概述
1、物質優點和缺點:
- 穩壓/升壓 直流電源電源-直流電源電源轉化吃妻上癮器
- 調控脈寬幅度調制旌旗燈號和摹擬旌旗燈號對導出的電壓值和導出的電壓值停下靜態變量java開發
- 2V-32V寬整體規模傳輸電流
- 周詳的擋拆功效與作用,含蓋讀取燒壞擋拆 (OSP)、逐頻次讀取和讀取基線功率限定價格、熱條理、熱關斷、讀取 欠壓鎖死擋拆、讀取過壓擋拆、讀取過壓擋拆等。
- 操控電阻功率實現轉換開關頻度可變
- 控制頻度發顫以做完出色的電磁爐攪擾或許防護報告
- 整合2場負效應管柵極驅動程序器
- 應具發生變化恒流入路的輸送或輸送不規則直流電限定皮膚
- 5V/55mA低交流電壓線型電源穩壓器,用做其他單支機變電
- 封裝:QFN4x4-32
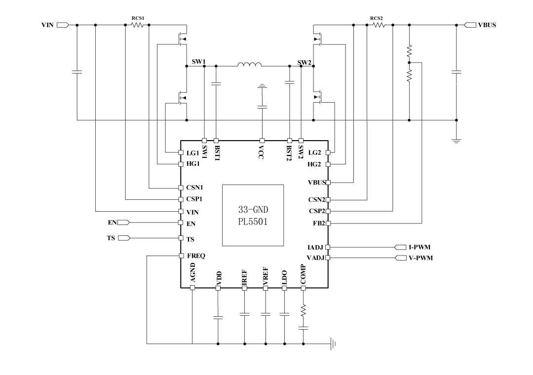
2、控制啟示圖:
3、結果描定
PL5501 就是款同部4觸點開關穩壓-升壓放肆器,就可以即使在遠超或不超導出精度電阻值時改善導出精度電阻值。PL5501可在 3.6V至32V(極大36V)的寬企業大規模導出精度電阻值企業大規模內責任,以撐持各操控。 PL5501 在減壓、升壓和減壓-升壓作結構下采納勻速運動導通之時有節制,以完成任務出眾的根據和電纜線慢慢調理。觸點開關次數可通過FREQ引腳和GND引腳當中的電阻器值區分,安裝為150kHz、300kHz、600kHz或1200kHz。該電子器件還符合程序控制器學習軟起動作用與功能,并總需求四種掩體作用與功能,主要包括逐階段交流電限定價格、輸出欠壓凍結 (UVLO)、輸出過壓掩體 (OVP)、熱關斷和輸出擊穿掩體等。 VADJ、IADJ引腳用作c語言編程讀取精度 VBUS 交流直流電壓和讀取精度直流直流電壓僅限,展現給交流直流電壓規范電路、恒流電路、熱調治電路、溫濕度變得,這導致PL5501已成為USB供氣 (PD) 控制的不錯做好。
4、楷模使用處景
- 貨車停止保障體系
- 預備蓄電池和超等電袋子器手機充電
- 行業使用電源供應器
- 車載一體機筆記本充電子元件
- HUB電源線視頻傳輸手藝人
5、打包封裝信息查詢
6、管腳界說和作用與功效刻畫
管腳功能主治描繪
序號 | 稱號 | 描寫 |
---|---|---|
1 | VADJ | 毗連0-2V摹擬電壓或PWM旌旗燈號,以在VREF引腳上編程電壓參考。將此引腳毗連到VDD將強迫VREF恒定為2V。 |
2 | IADJ | 毗連0-2V摹擬電壓或PWM旌旗燈號以編程IREF引腳上的電壓參考。將此引腳毗連到VDD將強迫IREF為2V。 |
3,6,8, 11,30 |
NC | 無收集 |
4 | IREF | 輸出和輸出限流回路的參考電壓。 |
5 | VREF | 電壓節制回路的電壓基準 |
7 | LDO | 低靜態功耗5V/55mA LDO(線性穩壓器)。間接由VIN引腳供電。LDO(線性穩壓器) 可用作MCU等操縱處置器的電源。當EN(使能)為低電日常平凡,只要該LDO將激活為MCU(單片機) 供電,并為全部體系堅持低靜態電流。 |
9 | FREQ | 毗連到GND以將開關頻次設置為150kHz。將此引腳毗連到VDD以將開關頻次設置為300kHz。毗連到VDD和GND之間的電阻分壓器,將頻次設置為600k和1200kHz。 |
10 | COMP | 偏差縮小器輸出。 |
12 | FB2 | VBUS電壓反應。將VBUS和GND之間的電阻分壓器毗連到FB2以編程VBUS電壓。 |
13 | CSN2 | 輸出電流檢測的負輸出。 |
14 | CSP2 | 輸出電流檢測的正輸出。 |
15 | VBUS | 將此引腳毗連到輸出電壓。 |
16 | HG2 | 高側場效應管驅動器2. |
17 | BST2 | 用于高側場效應管 驅動器的升壓引腳 2. |
18 | SW2 | 將此引腳毗連到功率級的開關點 2。 |
19 | LG2 | 低側場效應管驅動器輸出 2. |
20 | VCC | 6.6V電源,用于高壓側和高壓側驅動器 |
21 | LG1 | 低側場效應管驅動器輸出1。 |
22 | SW1 | 將此引腳毗連到功率級的電壓轉換處。 |
23 | BST1 | 用于高端場效應管驅動器的升壓引腳1。 |
24 | HG1 | 高側場效應管驅動器1。 |
25 | VIN | 將此引腳毗連到輸出電壓 |
26 | CSP1 | 輸出電流感到的正輸出。 |
27 | CSN1 | 輸出電流檢測的負輸出。 |
28 | EN | 拉高將啟用轉換器。邏輯低電平將禁用除 LDO(線性穩壓器) 以外的全部 PL5501。當 EN 為低電日常平凡,只要 LDO 為體系 MCU(單片機) 供電。EN 在外部被一個高阻值電阻器拉高。 |
29 | AGND | 旌旗燈號地。 |
31 | TS | 溫度感到 |
32 | VDD | 5.4V為PL5501節制焦點電壓 |
二、廚藝文本文檔
范例 | 標題 | 上傳時候 | 文檔下載 |
產品產品規格書(英文版) | PL5501_Datasheet_en_r1.2 | 2025/04/24 | PDF下載 |
三、操作預計
序號 | 標題 |
1 |
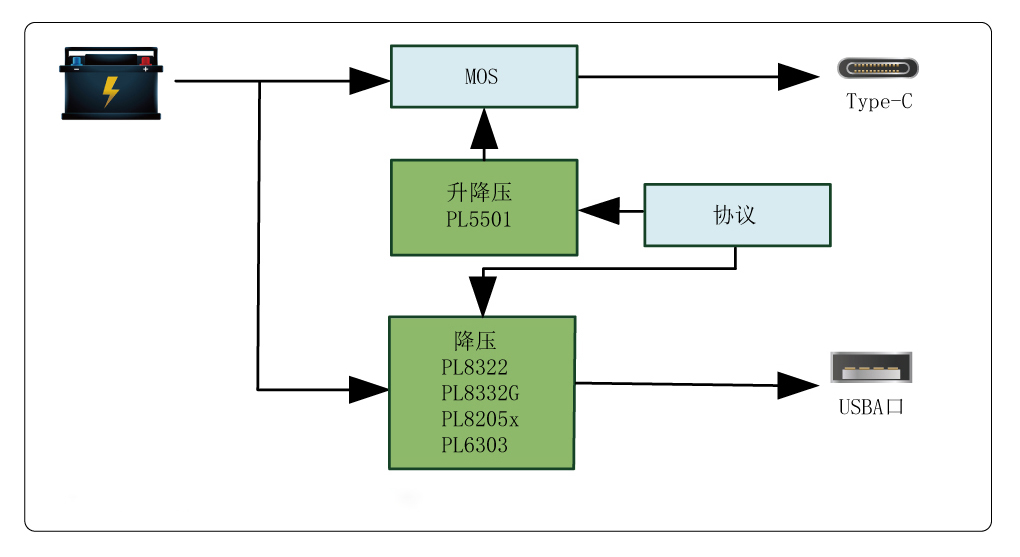
車充45-100W 單C計劃
|
2 |
車充45-100W 自力A+C計劃
|
3 |
車充45-100W 同享A+C計劃
|
4 |
車充A+C自力100W處理計劃
|
5 |
多口充雙C起落壓處理計劃
|
6 |
車載電子計劃
|
7 |
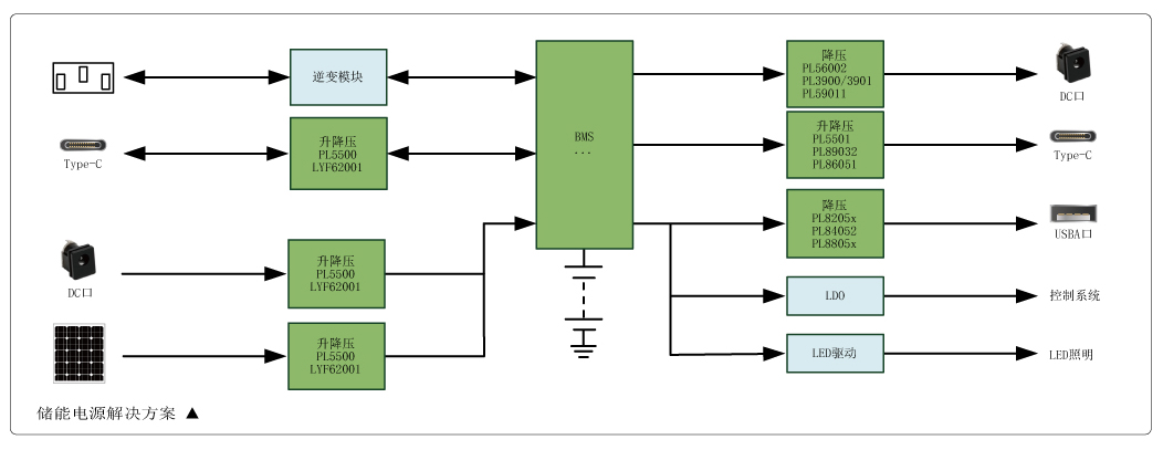
挪動儲能電源計劃
|